24+ P0052 Code

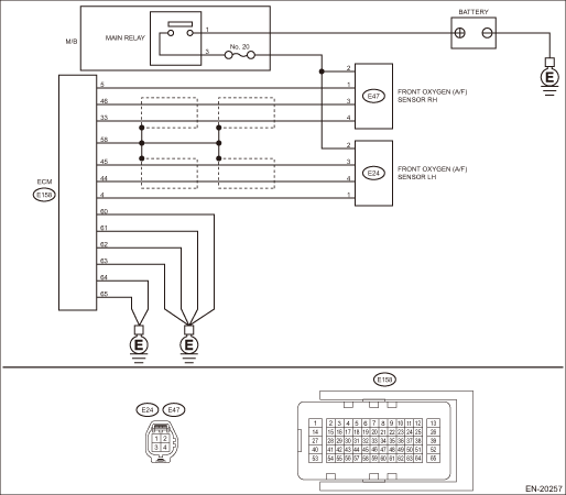
toyota sienna service manual oxygen a f sensor heater control circuit low oxygen a f sensor heater control circuit high diagnostic trouble code chart sfi system 2gr fe engine control system
toyota sienna service manual from www.tsienna.net


0 Response to "24+ P0052 Code"

Post a Comment

Iklan Atas Artikel

Iklan Tengah Artikel 1

Iklan Tengah Artikel 2

Iklan Bawah Artikel