29+ How To Bypass Asd Relay

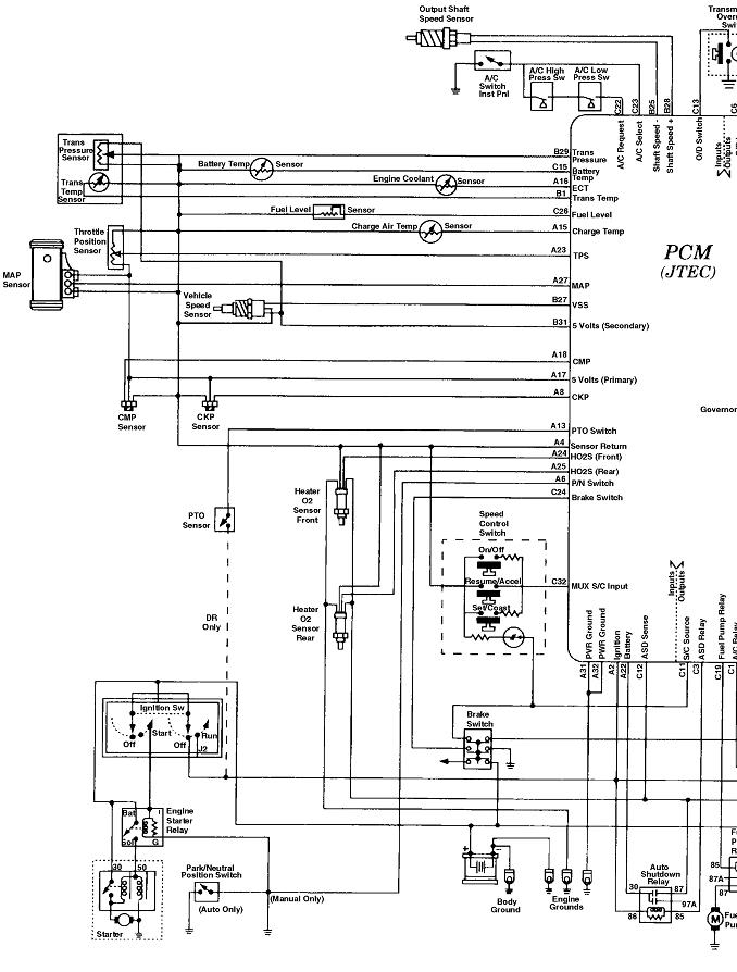
1993 1995 auto shut down asd wiring diagram jeep 4 0l
asd wiring diagram jeep 4 0l from troubleshootmyvehicle.com


0 Response to "29+ How To Bypass Asd Relay"

Post a Comment

Iklan Atas Artikel

Iklan Tengah Artikel 1

Iklan Tengah Artikel 2

Iklan Bawah Artikel