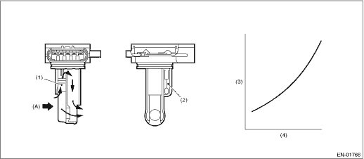
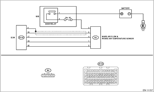
View Trouble Code P0103

2002 nb miata idling and more please help mx 5 miata forum
miata forum miata net from uploads.tapatalk-cdn.com


0 Response to "View Trouble Code P0103"

Post a Comment

Iklan Atas Artikel

Iklan Tengah Artikel 1

Iklan Tengah Artikel 2

Iklan Bawah Artikel