The Best Trouble Code P0037

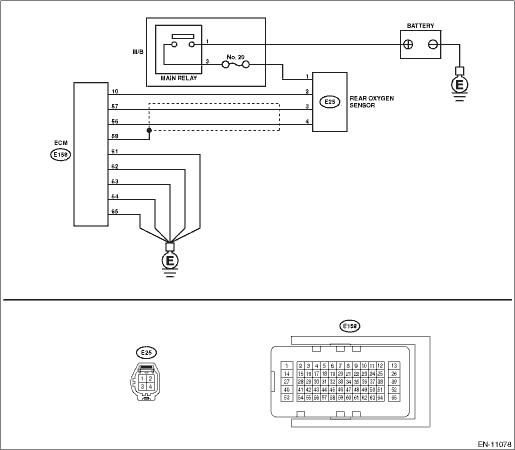
i m getting a p0037 engine code looked it up and it s for o2 sensor bank 1 sensor 2 which sensor location is this is
i m getting a p0037 engine code looked from ww2.justanswer.com


0 Response to "The Best Trouble Code P0037"

Post a Comment

Iklan Atas Artikel

Iklan Tengah Artikel 1

Iklan Tengah Artikel 2

Iklan Bawah Artikel